混合信号测试
Mixed signal tests are always involved in electronic circuits were mixed signal components interact with digital devices or in digital circuits where signal integrity must be analyzed.
In mixed signal tests some additional features are required beyond bandwidth, sample rate and memory depth:
- Channel count
- Expandability
- Trigger levels
- Probe features
- Analogue-digital synchronization
Many good oscilloscopes or mixed signal oscilloscopes are available at a very effective price. But as good are the performances of the analogue part as poor are those of the digital part which usually is not adequate for professional tests.
AT-LA500 is a professional logic analyzer that can be tightly integrated with a standard oscilloscope providing the best mixed signal solution both in term of performance and price.
下载AT-LA500混合信号宣传册(PDF)
 
New MSO Capability FREE on your Next DPO7000 Series Oscilloscope
Tektronix partnering with Active Technologies in Italy, now offer an integrated high performance Mixed Signal capability for the DPO7000 series Oscilloscopes Active Technologies, AT-LA500, USB based logic analyzers, have been customized to work with the DPO7000 series Oscilloscope range. This customization provides a integrated capability for the Windows performance MSO market.
AT-LA500 Mixed Signal Test Solution

AT-LA500 completes a standard oscilloscope providing all the digital features required to carry out any mixed signal test situation:
- High sampling rate: 500Msps timing analysis, 200Mhz DDR state analysis
- GigaView: 1.5 GHz (666 ps-resolution) timing acquisition on all channels
- Channel expandability: from 36 up to 288 channels
- 32 trigger levels
- 3 different set of probes with:
- high bandwidth
- multiple independent programmable thresholds
- very uncommon input impedance as high as 1MOhm
- Up to 4 Million Samples on all channels
- Serial Protocol Analysis
AT-LA500 can be easily and efficiently integrated with a standard oscilloscope thanks to its very compact size and the USB connection to the oscilloscope itself (if it is windows based) or a PC where both the oscilloscope and the logic analyzer can be controlled and the acquired digital/analogue signals managed and displayed together.
Synchronization

AT-LA500 provides a dedicated expansion bus, called AT-XSS, for expandability and synchronization with external instruments (i.e. oscilloscopes). The synchronization is bidirectional so that the oscilloscope and the logic analyzer can be in turn the trigger master. Only two BNC cable must be connected between the two instruments to make the new mixed signal tester.
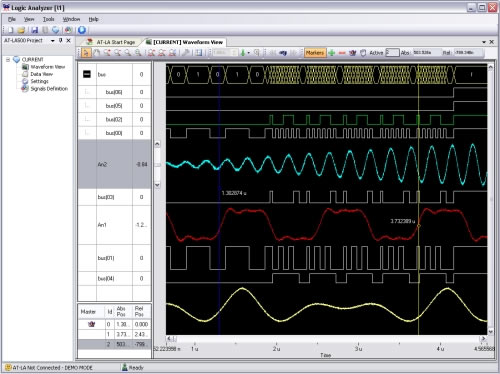
Mixed signal waveform window

The integration is also powered by the software interface that hides all the communication details between the AT-LA500 and the oscilloscope. The system configuration interface is very intuitive but powerful at the same time. Mixed analog/digital acquisitions can be displayed in the advanced mixed signal waveform window which provides:
- Simultaneous display of multiple analogue / digital traces
- Independent trace size, zooming and properties
- Analog representation of digital busses
- Add, remove, drag & drop signals
- Expand and collapse busses
- Advanced pattern/edge searches
Supported oscilloscopes
AT-LA500 supports connection with most popular oscilloscope on the market.
The supported oscilloscopes are growing, but if your model isn't in the list, please write us an e-mail info@hkaco.com
Tektronix
All Windows-based instruments in the following families:
DPO 7000 Series Oscilloscopes
DPO 70000 Series Oscilloscopes
TDS7054, TDS7254, TDS7404, TDS5054, TDS5104, TDS7104, TDS6604, TDS7154, CSA7404, TDS6404, CSA7404B, TDS7154B, TDS7254B, TDS7404B, TDS7704B, TDS5054B, TDS5104B, TDS5032B, TDS5052B, TDS5054BE, TDS5034B, TDS6804B, TDS6604B, TDS6154C, TDS6124C, DPO7054, DPO7104, DPO7254, DPO70404, DPO70604, DPO70804, DSA70404, DSA70604, DSA70804, DPO7354, DPO71254, DPO71604, DPO72004, DSA71254, DSA71604, DSA72004, DPO70404B, DPO70604B, DPO70804B, DPO71254B, DPO71604B, DPO72004B, DSA70404B, DSA70604B, DSA70804B, DSA71254B, DSA71604B, DSA72004B
LeCroy
All Windows-based instruments in the following families:
WaveRunner 6K and WaveRunner Xi series
WavePro 7K and 700Zi series
WaveSurfer 400 and WaveSurfer Xs series
WaveMaster
AT-LA500逻辑分析仪GigaView >
Email 本页
需要更详细资料?请通过sales@hkaco.com联系我们。
|